简述:
TX4211是一款固定频率恒定电流模式升压转换器,该芯片适用于小型低功耗应用。
芯片开关频率为1.2MHz, 可以应用在小尺寸PCB、低成本电容和电感。
内部软启动, 浪涌电流小可延长电池寿命。芯片具有轻载时自动切换到PWM模式。
芯片具有欠压,限流和过温保护,以防止输出过载时损坏器件。
芯片采用SOT23-6封装。
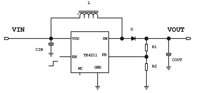
典型应用:

封装:

输入电压 :2V - 24V
输出电压 :ADJ
输入峰值电流 :2A
静态电流 :100uA
开关频率:固定 1.2MHz
驱动方式:内置MOS
整流方式:异步整流
封装:SOT-23-6