常用电压范围:

image.png

 

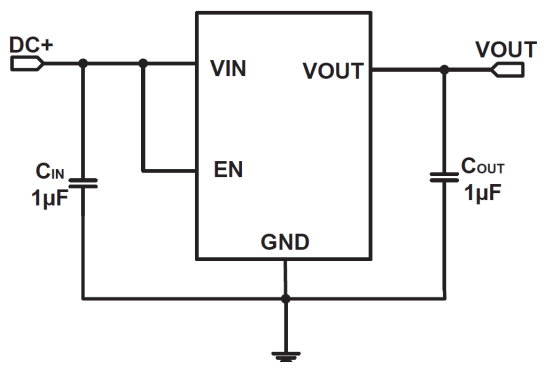
典型应用电路:

image.png

 

常用封装:

image.png

 

输入电压 :1.8V - 5.5V

输出电压 :1.2V - 5.0V

输出电流 :300mA

静态电流 :60uA

信噪比 :70dB

输入输出压差 :150mV

封装:

SOT-23-5L

SC70-5L

特点:高速、低压差、低静态电流、高纹波抑制比